Industry application

行业应用

SVG
应用概述
SVG应用概述

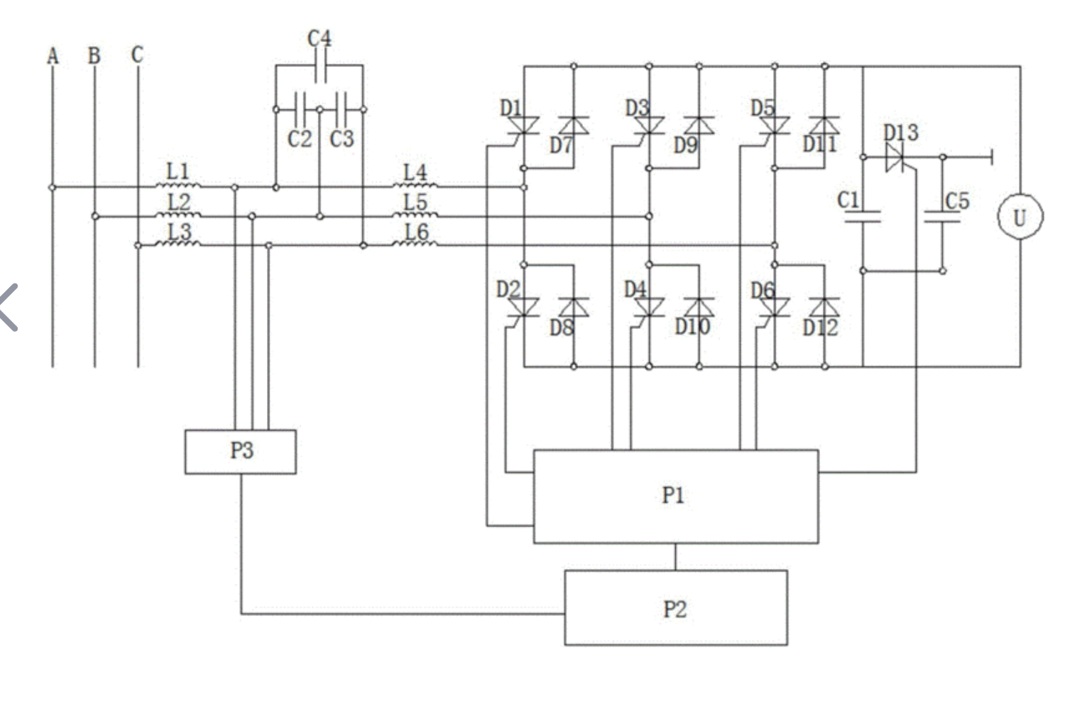
SVG是典型的电力电子设备,由三个基本功能模块构成:检测模块、控制运算模块及补偿输出模块。其工作原理为由外部CT检测系统的电流信息,然后经由控制芯片分析出当前的电流信息、如PF、S、Q等;然后由控制器给出补偿的驱动信号,最后由电力电子逆变电路组成的逆变回路发出补偿电流。


ballbet贝博征为客户提供不同功率段和电压等级的解决方案,产品涉及1700V 50A~900A及3300V系列模块。

SVG
应用系统图
SVG应用系统图
SVG
应用拓扑图
SVG应用拓扑图
SVG
推荐产品

IGBT模块产品清单

Part Number VCE(V) Ic(A)@100℃ Vcesat(V) @25℃
typ
Eon(mJ) Eoff(mJ) Package Datasheet
MPFF75R17RBF 1700 75 2 21.1 20.5 34mm module Download
MPFF100R17RBF 1700 100 2.2 22.5 21.9 34mm module Download
MPFF300R17KBF 1700 300 1.95 70.5 62.4 62mm module Download
MPFF450R17MBF 1700 450 2.29 153.1 131.5 EconoDUAL 3 Download
MPFF600R17MBF 1700 600 2.3 291 169 EconoDUAL 3 Download
MPFF900R17MNF 1700 900 2.6 931 523 EconoDUAL 3 Download