Industry application

行业应用

光伏逆变器
应用概述
光伏逆变器应用概述

光伏发电系统是指利用光伏电池的光生伏特效应,将太阳辐射能直接转换成电能的发电系统。是一种清洁、安全和可再生的能源。光伏发电过程不污染环境,不破坏生态。 


ballbet贝博征致力为光伏系统提供最优的产品方案,针对不同电路拓扑,匹配相应的SiC、IGBT单管及IGBT模块产品。

光伏逆变器
应用系统图
光伏逆变器应用系统图
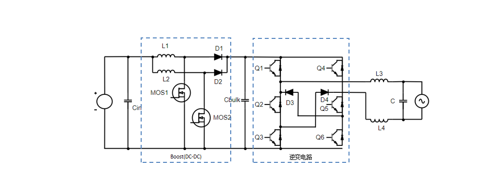
光伏逆变器
应用拓扑图
光伏逆变器应用拓扑图
光伏逆变器
推荐产品

IGBT单管产品清单

Part Number VCE(V) Ic(A)@100℃ Vcesat(V) @25℃
typ
Eon(mJ) Eoff(mJ) Package Datasheet
MPBW50N65E 650 50 1.6 1.22 1.2 TO-247 Download
MPBW50N65EH 650 50 1.54 1.14 1.26 TO-247 Download
MPBW15N120BF 1200 15 1.8 1.17 0.95 TO-247 Download
MPBW25N120BF 1200 25 1.9 1.6 1.9 TO-247 Download
MPBW40N120BF 1200 40 1.85 1.6 3.0 TO-247 Download
MPBW40N120E 1200 40 1.7 2.56 2.13 TO-247 Download
MPBQ50N120B 1200 50 1.8 5.5 3.21 TO-247 plus Download
MPBL75N120BF 1200 75 1.9 5.4 4.1 TO-264 Download
MPBQ75N120BF 1200 75 1.9 4.6 4.4 TO-247 plus Download